Top.Mail.Ru
Уже 12167 пользователей с нами, зарегистрируйтесь на портале российских производителей
Промышленные предприятия России
Комменж
Санкт-Петербург
Производитель электроники и электротехнического оборудования

Пассивный разветвитель интерфейса ПРИ-3х3PG(ПРИЗ-3х3PG)

1 080 ₽
(От 1 шт.)
Максимальное рабочее напряжение постоянного тока, В
60
Максимальный длительный ток в проводе, А
1,5
Статическое напряжение разрядников FV1 – FV3, В
75±20% или 90 ±20% (для ПРИЗ-3х3PG)
Макс. импульсный ток (8/20 мкс) разрядников FV1 – FV3, кА
3 (для ПРИЗ-3х3PG)
Сечение подключаемых жил, мм2 (винтовые контакты)
0,4-1,5
Сечение подключаемых жил, мм2 (нажимные контакты)
0,3–1,0
Допустимый уровень механических воздействий по ГОСТ 30631-99 вибрационных (винтовые контакты)
незначительный (до 0,12 g)
Допустимый уровень механических воздействий по ГОСТ 30631-99 вибрационных (нажимные контакты)
заметный (до 1g)
Допустимый уровень механических воздействий по ГОСТ 30631-99 ударных (винтовые контакты)
без ударов
Допустимый уровень механических воздействий по ГОСТ 30631-99 ударных (нажимные контакты)
незначительный (до 4g)
Диаметр оболочки кабеля (кабельный ввод PG
3,5-6 (PG7); 5-8(PG9)
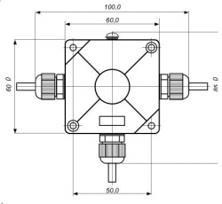
Габариты (Д х Ш х В), не более, мм
100 х 85 х 32
Вес, не более, г.
70
Степень защиты оболочки по ГОСТ 14254-96
IP 54
Климатическое исполнение по ГОСТ 15150-69
У2
Срок службы, лет
10
Гарантийный срок, с даты ввода в эксплуатацию, месяцев
24 (но не более 30 с даты выпуска)

Компания COMMENG (ООО «Комменж», Санкт-Петербург) запустила в серийное производство пассивный разветвитель интерфейса ПРИ-3х3PG(ПРИЗ-3х3PG), который предназначен для подключения к 2-х и 3-х проводной линии передачи данных приёмников-передатчиков сигналов последовательных интерфейсов различных типов, например, RS-485, «токовая петля», «WiredHART», «CAN». Может использоваться так же для подключения устройств, поддерживающих Single Pair Ethernet. Допускается передача питания постоянным током поверх данных (PoDL).

Устанавливается в месте, защищенном от воздействия осадков. Подключаемые кабели вводятся через гермовводы. Выпускается с винтовыми и нажимными (для применения в условиях вибрации) контактами. Опционально – защита от импульсных помех.

Электрические характеристики
Разветвитель ПРИ-3х3PG является пассивным оборудованием, рассчитанным на передачу данных и питания поверх данных. Допускается передача питания поверх данных безопасным напряжением постоянного тока. В ПРИЗ-3х3PG установлены газонаполненные разрядники для защиты от импульсных помех.

Конструкция и эксплуатационные характеристики
Разветвитель ПРИ-3х3PG имеет корпус из пластмассы, в котором размещается печатная плата с клеммными колодками. Для ввода кабелей используются кабельные вводы PG7 или PG9. Тип кабельного ввода указывается в полном названии разветвителя. В модификации ПРИЗ имеется резьбовой контакт для подключения провода заземления.
Есть две небольших особенности конструкции, которые могут стать существенными плюсами при монтаже и эксплуатации: компактность, может быть важной при недостатке места; крепление происходит через проушины, находящиеся снаружи закрытого объема, а не через отверстия на задней стенке коробки.

Для использования в условиях вибрации выпускается разветвитель с нажимными пружинными контактами. Тип контактов указывается в полном названии разветвителя с помощью дополнительной буквы «в» - винтовые контакты, «н» - нажимные.

Выбор разветвителя и отражение в документации
Условия окружающей среды должны соответствовать климатическому исполнению и прочим эксплуатационным характеристикам, указанным в Таблице 2. Разветвитель с встроенной защитой от импульсных перенапряжений (ПРИЗ) используется в условиях воздействия на линию передачи данных помех от ударов молнии или источников электромагнитных помех.

Выбор типоразмера кабельного ввода зависит от диаметра применяемого кабеля, выбор типа контактов – от наличия и уровня вибрации и ударных воздействий в месте установки.

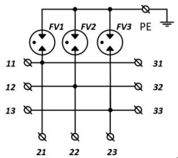
Разветвитель имеет три абсолютно одинаковых 3-проводных порта, контакты которых о соединены

Необходимо заранее указать подключение проводов в монтажных схемах и проектах. Чтобы облегчить задачу выбора, в Таблице 3 указано рекомендованное назначение контактов для наиболее широко распространенных применений. При подключении следует соблюдать стандартизованную расцветку изоляции жил.

Для двухпроводных интерфейсов свободные контакты (13,23,33) могут использоваться для подключения и соединения экранов кабелей, если есть такая необходимость.

Рекомендации по монтажу
Монтаж разветвителя ПРИЗ(З) - 3х3PG на поверхность производится через проушины с помощью винтов или шурупов. При подключении кабелей жилы освобождаются от оболочки на длину 30 мм, после подключения к клеммам и обжатия кабельного ввода укладываются в виде петель внутри разветвителя. Подключаемые кабели должны фиксироваться недалеко от места установки разветвителя, около ввода необходимо оставлять небольшой запас кабеля (50-100 мм), в виде петли или изгиба.

Для подключения разветвителя ПРИЗ к защитному заземлению, заземленным металлоконструкциям или корпусам оборудования рекомендуется использовать многожильный провод сечением 2,5 или 4 мм². Для подключения к контакту заземления разветвителя должен применяться кабельный наконечник. Длина провода должна быть, по возможности, минимальной (не более 1-1,5 м).

Маркировка. Упаковка и комплект поставки.
На печатной плате нанесены номера контактов. Полное наименование изделия, месяц и год производства указываются на задней стенке.

Упаковка разветвителей в групповую заводскую упаковку (картонные коробки). В каждую заводскую упаковку укладывается один паспорт на все изделия.

Оставить отзыв
Похожие товары
Стеклотекстолит
ПКФ Изолит-Деталь
252 ₽
(От - 1 шт.)

Основное его применение — это электроника и электротехническая...

Стеклотекстолит
ПКФ Изолит-Деталь
252 ₽
(От - 1 шт.)

Основное его применение — это электроника и электротехническая...

Стеклотекстолит
ПКФ Изолит-Деталь
252 ₽
(От - 1 шт.)

Основное его применение — это электроника и электротехническая...

Детали из прокладочных материалов
ПКФ Изолит-Деталь
(От - 1 шт.)

Паронит и детали из прокладочных материалов: прокладки, уплотнители, кольца...

Листы из текстолита
ПКФ Изолит-Деталь
(От - 1 шт.)

Текстолит — электроизоляционный конструкционный материал, который применяется в...

Контакты компании
Во избежание спама контакты доступны только после регистрации.
Зарегистрироваться
Отправить сообщение Запросить прайс-лист
Пользуясь данным сайтом, вы соглашаетесь с пользовательским соглашением и политикой конфиденциальности
Размещенные цены не являются публичной офертой