Top.Mail.Ru
Уже 12167 пользователей с нами, зарегистрируйтесь на портале российских производителей
Промышленные предприятия России
ТПК СпецРусМетиз
Ростовская область, Таганрог
Производство крепежа и метизной продукции

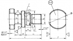
Переходники для кокилей гост 21090-75

100 ₽
(От 50 шт.)

Изготавливаем переходники, предназначенные для крепления плит выталкивателей к штоку кокильных машин по ГОСТ 21090-75. Можем делать как условные размеры М24, М30х1,5, М36х1,5, так и по вашим чертежам и параметрам, из сталей 45, 40Х, 40Х13, а так же возможна замена на другие стали с механическими свойствами не ниже, чем у Ст.45. Данный переходник идет с термической обработкой HRC 35-40 и покрытием Хим.Окс.прм (05) или же любым другим по вашему желанию.

Моб. +7(950)848-55-19
Раб. +7(991)086-37-37
https://rskrepeg.ru
rsk_161@mail.ru
ООО ТПК «СпецРусМетиз»

кокильная машина, машина кокильного литья, кокильные машины для литья металлов, купить кокильную машину, кокильная машина для литья алюминия, выталкиватель, кокиль, литье в кокиль, отливка в кокиль

Оставить отзыв
Похожие товары
СГТ
Эргосталь
(От - 1 шт.)

Металлические спиральновитые гофрированные трубы.
Доставка в любую точку...

СпецРусМетиз
500 ₽
(От - 10 шт.)

Изготовим по вашему запросу, гайки круглые с радиально расположенными...

СпецРусМетиз
200 ₽

Изготовим по вашему запросу крепеж для соединений трубопроводов:

Накидные...

СпецРусМетиз
250 ₽

Изготовим по вашему запросу, гайки для крепления соединений трубопроводов по...

СпецРусМетиз
250 ₽

Изготовим по вашему запросу, гайки для крепления соединений трубопроводов по...

Контакты компании
Во избежание спама контакты доступны только после регистрации.
Зарегистрироваться
Отправить сообщение Запросить прайс-лист
Пользуясь данным сайтом, вы соглашаетесь с пользовательским соглашением и политикой конфиденциальности
Размещенные цены не являются публичной офертой