Top.Mail.Ru
Уже 12167 пользователей с нами, зарегистрируйтесь на портале российских производителей
Промышленные предприятия России
Комменж
Санкт-Петербург
Производитель электроники и электротехнического оборудования

Абонентские защитные устройства АЗУ-М

600 ₽
(От 1 шт.)
Габариты, не более, мм
74 х 30 х 47
Вес, не более, г.
50
Климатическое исполнение по ГОСТ 15150-69
УХЛ 2.1
Степень защиты оболочки по ГОСТ 14254-96 (IEC 60529)
IP 30
Срок службы, лет
7
Гарантийный срок, с момента ввода в эксплуатацию мес.
24 (не более 30 с даты выпуска)

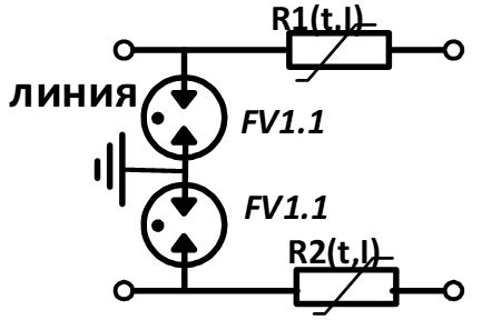
Абонентские защитные устройства АЗУ-М предназначены для защиты абонентских пунктов и оконечного оборудования сетей связи от опасных перенапряжений и сверхтоков, вызванных наводками от ударов молнии, опасными влияниями ЛЭП и электрифицированного транспорта.
АЗУ-М устанавливаются на вводах в здания и сооружения в защищенном от осадков месте (помещениях, контейнерах, шкафах и коробках).
В качестве элементов защиты от перенапряжений используются газонаполненные разрядники, варисторы и супрессоры В качестве элементов защиты от сверхтоков – полимерные позисторы. Устройства обеспечивают высокое быстродействие, минимальное затухание в рабочем диапазоне частот, рассчитаны на многократные воздействия помех.
АЗУ-М имеет корпус, выполненный из трудногорючей морозостойкой пластмассы. Контакты для подключения линии связи и оборудования (внутренней проводки) могут быть дополнительно заполнены гелем (указывается при заказе). Для крепления предусмотрены проушины.
Установка АЗУ регламентируется п.10, монтаж заземляющих устройств п.18.6 «Руководства по строительству линейных сооружений местных сетей связи. Часть 2» (ССКТБ ТОМАСС, 2005 г.). Возможно подключение АЗУ-М к главной заземляющей шине или естественным заземлителям.

АЗУ-М устанавливается на вводах в абонентские пункты, в местах, укрытых от прямого воздействия осадков (на чердаках, в подвалах, в шкафах и ящиках). Крепится через проушины диаметром 4,5 мм и расстоянием между центрами 62 мм, или на рейку DIN.

Для подключения к клеммам используются кабели с сечением жил 0,32 – 1,0 мм².

Для подключения заземления следует использовать многожильный медный провод типа ПВ-3 с сечением 6 - 10 мм². Рекомендуется использовать кабельный наконечник.

Маркировка и упаковка. Комплект поставки.
На боковой поверхности АЗУ-М указываются: товарная марка Комменж, название устройства (например АЗУ-МТНР, АЗУ-МНВ) месяц и год производства, наносится маркировка ЛИН (Линия) и ОБР (оборудование). Заводская групповая упаковка производится в картонные коробки, в каждую коробку укладывается один паспорт.

Оставить отзыв
Похожие товары
Стеклотекстолит
ПКФ Изолит-Деталь
252 ₽
(От - 1 шт.)

Основное его применение — это электроника и электротехническая...

Стеклотекстолит
ПКФ Изолит-Деталь
252 ₽
(От - 1 шт.)

Основное его применение — это электроника и электротехническая...

Стеклотекстолит
ПКФ Изолит-Деталь
252 ₽
(От - 1 шт.)

Основное его применение — это электроника и электротехническая...

Детали из прокладочных материалов
ПКФ Изолит-Деталь
(От - 1 шт.)

Паронит и детали из прокладочных материалов: прокладки, уплотнители, кольца...

Листы из текстолита
ПКФ Изолит-Деталь
(От - 1 шт.)

Текстолит — электроизоляционный конструкционный материал, который применяется в...

Контакты компании
Во избежание спама контакты доступны только после регистрации.
Зарегистрироваться
Отправить сообщение Запросить прайс-лист
Пользуясь данным сайтом, вы соглашаетесь с пользовательским соглашением и политикой конфиденциальности
Размещенные цены не являются публичной офертой