Top.Mail.Ru
Уже 12878 пользователей с нами, зарегистрируйтесь на портале российских производителей

Механическая сборка C-EPS

Калининградская область, Калининград
Актуально до:
Сообщить о нарушении
Информация о закупке

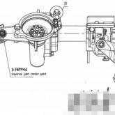
Механическая сборка C-EPS является ключевым исполнительным механизмом рулевого управления легкового автомобиля. Она состоит из рулевой колонки, входного и выходного валов, торсиона, датчика крутящего момента, червячной передачи и механического рулевого механизма (реечного типа). Принцип работы: при повороте водителем рулевого колеса торсион скручивается, датчик крутящего момента фиксирует это смещение и преобразует его в электрический сигнал. ЭБУ на основе этого сигнала управляет выходным моментом электродвигателя, который усиливается червячной передачей и суммируется с усилием на рулевом валу, после чего через реечный механизм поворачивает колеса.

Данная сборка отличается компактностью и низкой стоимостью, поэтому широко применяется в компактных легковых автомобилях классов A0 и A. Её преимущества — гибкая компоновка, низкое энергопотребление (работает только при повороте руля) и возможность реализации переменного усилия в зависимости от скорости, что обеспечивает легкость управления при парковке и стабильность на высокой скорости. Однако из-за установки электродвигателя в салоне существует риск передачи шума, а крутящий момент усиления относительно невелик, что делает систему непригодной для крупных или тяжелых транспортных средств.

Фотогалерея

Контакты
Адрес:
г. Калининград, ул. Магнитогорская, д. 4, 236013
Телефон:
Регистрация
Реквизиты
ИНН:
7721810117
ОГРН:
7721810117
Похожие закупки
замок боковой двери автомобиля
Калининградская область, Калининград
Тип: Крупный опт

Мы ищем российских поставщиков замков для боковых дверей автомобилей, чтобы получать баллы. Мы...

Калининградская область, Калининград
Тип: Крупный опт

Мы хотим найти поставщиков внутренних и наружных ручек дверей, чтобы получить соответствующие баллы.

Газовый упор крышки багажника
Калининградская область, Калининград
Тип: Крупный опт

Газовые упоры крышки багажника — это ключевые компоненты, соединяющие кузов автомобиля с его...

Петля капота
Калининградская область, Калининград
Тип: Крупный опт

Петли капота — это ключевые механические компоненты, соединяющие капот автомобиля с его кузовом....

Замок капота
Калининградская область, Калининград
Тип: Крупный опт

Замок капота — это важный запчасть кузова автомобиля, предназначенный для фиксации капота и...

Контакты компании
Телефон:
Почта:
Веб-сайт:
Зарегистрироваться
Пользуясь данным сайтом, вы соглашаетесь с пользовательским соглашением и политикой конфиденциальности
Размещенные цены не являются публичной офертой